Каминная топка Spartherm Varia 2R55
4ac273ff4c9a
Доставка в Ростов на Дону
Удобство оплаты
Почему звонить в Очаг уже сейчас?
- Единая цена по всей России
- Бесплатная доставка
- Понимаем любой бюджет
- Считаем ВСЕ варианты
- Инструкции и видео для Монтажа
- Доступно, Оперативно, Профессионально
- Более 2 000 монтажей за 17 лет
Примеры работ #Степан_Знает
Видео галерея
Описание
Характеристики
Общие
Производитель:
Страна-производитель:
Германия
Остекление:
Материал корпуса:
Материал топки:
- Керамика
Конструкция топки:
Стекло с подъемом вверх:
Нет
Боковое стекло:
Справа
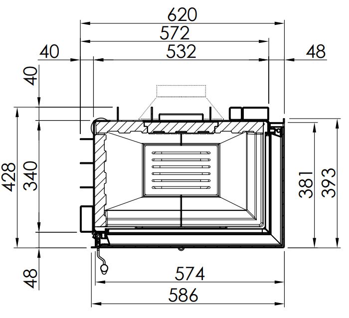
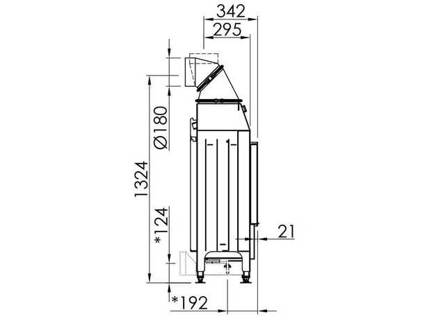
Размеры
Диаметр дымохода:
180 мм
Общая ширина:
620 мм
Общая глубина:
428 мм
Общая высота:
1346 мм
Ширина рамки:
574 мм
Производительность
Мощность:
7 кВт
КПД:
80%
Площадь отопления:
70 м²
Объем отопления:
175 м³
Использование для отопления:












